产品
xpj官网电竞焊接/搬运专家
始于焊接,不止于焊接
始于焊接,不止于焊接
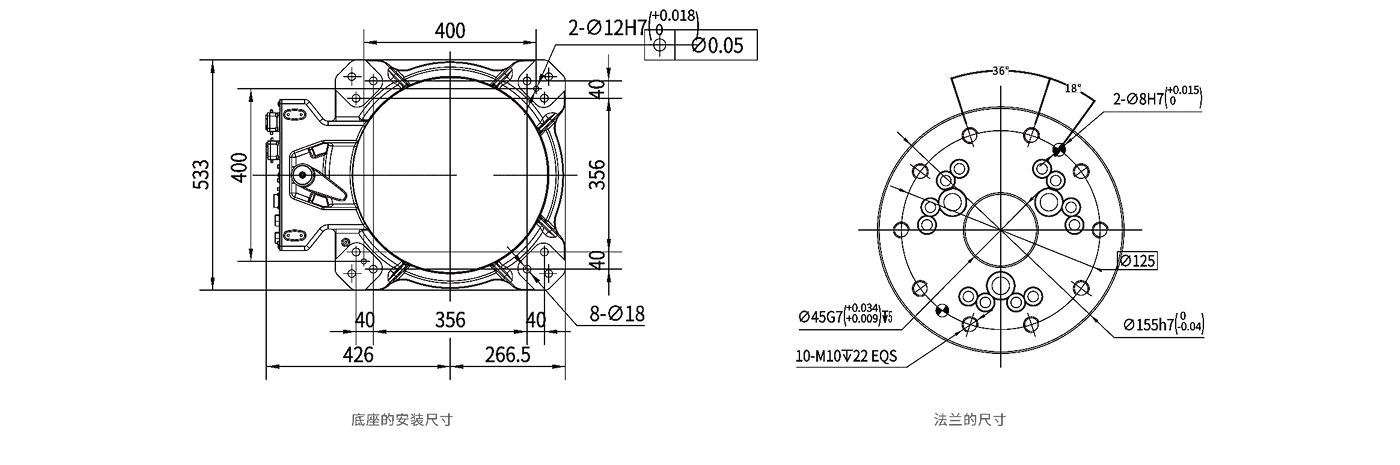
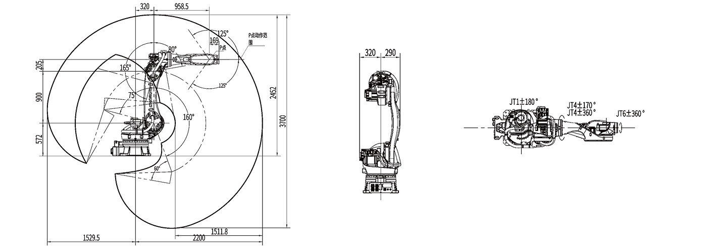
臂展2.2米,负载能力强,工作范围大,灵活性强。
运行速度快,重复定位精度高,适用于上下料、搬运、分拣、装配等应用场所,适用范围广。
配置独立于控制系统的安全急停板,采用安全继电器,对外提供双回路急停,确保急停的可性。
本体电缆采用柔性机器人专用电缆。
內装三相滤波器,有效改善EMC和EMI性能。
本体提供中10mm双回路气管,满足搬运的需求。
通过单悬臂结构,减轻终端重量,提升其灵活性,机械手、工具、工件形状的选择性范围得到扩展。
内置电缆、气管,通过小臂和手腕中心处设置中空部分,从机器人基部到腕部末端内置电缆和气管,更大地方便了用户使用,提高了作业效率。
高扩展性,在机器人本体上设置有多处用户支架安装平台,便于用户固定线缆及其相关辅助工装冶具。


