not just welding
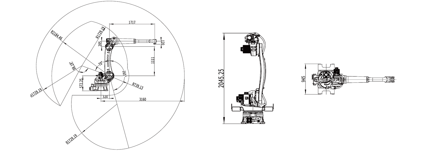
The arm span is 3.2 meters, the load capacity is strong, the working range is large, the flexibility is strong.
Fast running speed, high repeated positioning accuracy, suitable for cutting, handling, welding and other application scenarios,a wide range of applications.
A safety emergency stop board independent of the control system is configured, and a safety relay is used to provide double-circuit emergency stop to ensure the reliability of emergency stop.
The main cable adopts the special cable for flexible robot.
Built-in three-phase filter to effectively improve EMC and EMl performance.
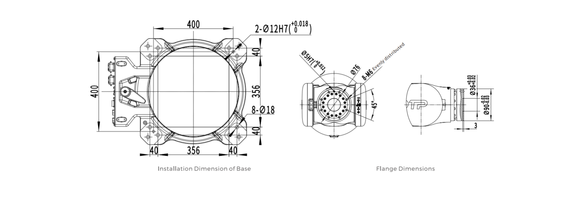
The body provides Φ 10mm double circuit trachea to meet the peripheral requirements
Through the single cantilever forearm structure, the terminal weight is reduced and the flexibility is improved, and the choice of manipulator, tool and workpiece shape is extended.
Built-in cable, gas pipe, through the center of the forearm and wrist set hollow part, from the robot base to the end of the wrist built-in cable and gas pipe, more convenient forusers,improve the efficiency of work.
High scalability, a number of user support installation platforms are set on the robot body, which is convenient for users to determine the cable and its related auxiliary tooling.
![]()


