Product
CRP welding/handling experts start with welding,
not just welding
not just welding
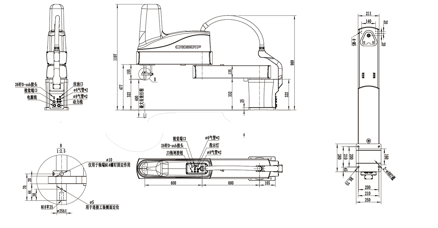
The maximum load of the robot can reach 60kg,the arm span can reach 1200mm,andthe effective travel of the Z-axis can meet 400mm;
Standard door type beat up to 0.79s,faster speed,fast handling;
Robot built-in 1 gigabit network cable,can meet the need for network cable communication,reduce cable interference;
The product structure is compact,the weight is only 120kg,combined with software algorithm processing,to achieve stable and efficient operation of the robot in practical applications.


